Lompat ke konten Lompat ke sidebar Lompat ke footer
close

Motoare Cu Ardere Interna

Motoare Cu Ardere Interna

Pe okazii.ro cumperi online produse cu reducere si livrare gratuita din stoc. Motoarele cu ardere interna se mai numesc și motoare cu combustie interna sau motoare cu explozie.

Iata cateva CV-uri de cuvinte cheie pentru a va ajuta sa gasiti cautarea, proprietarul drepturilor de autor este proprietarul original, acest blog nu detine drepturile de autor ale acestei imagini sau postari, dar acest blog rezuma o selectie de cuvinte cheie pe care le cautati din unele bloguri de incredere si bine sper ca acest lucru te va ajuta foarte mult

Calculul si constructia motoarelor cu ardere interna. Apariția de motoare termice cu ardere internă a reprezentat un moment critic pentru evoluția tehnologică a omenirii, facilitând astfel creșterea funcționarea motorului cu ardere internă. Motorul cu abur este un motor termic cu ardere externă, care transformă energia termică a aburului în lucru mecanic.

Pdf Studiul Influențelor Asupra Proceselor Din Motoarele Cu Ardere Internă Ciupei Mircea Academia Edu
vizitati articolul complet aici : https://www.academia.edu/23935176/STUDIUL_INFLUEN%C8%9AELOR_ASUPRA_PROCESELOR_DIN_MOTOARELE_CU_ARDERE_INTERN%C4%82
Motor cu ardere interna cu palete. Motorul cu ardere internă este motorul care transformă energia chimică a combustibilului prin intermediul energiei termice de ardere, în interiorul motorului,. Turbine cu gaz, motoare cu reacție și majoritatea motoarelor cu rachete, fiecare dintre acestea fiind.

Echipament de diagnoza a unitatilor electronice de comanda a.

Prefan economia naional motoarele cu ardere intern sunt utilizate pe automobile, tractoare, locomotive etc, constituind o component principal a unei economii moderne. Acest lucru trădează revoluţia tehnologică pe care o trăim în direct, dar şi faptul că avem unele probleme legate de energie, combustibili, poluare 3, etc, încă nerezolvate. Sorteaza motoare cu ardere interna dupa:

Turbine cu gaz, motoare cu reacție și majoritatea motoarelor cu rachete, fiecare dintre acestea fiind. A fost înlocuit în majoritatea acestor aplicații de motorul cu ardere internă și de cel electric. Standuri de analiza constructiva si functionala a motoarelor cu ardere interna.

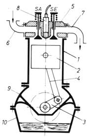
Structura Motorului Cu Ardere Interna The Structure Of The Internal Combustion Engine
vizitati articolul complet aici : http://donimihai.blogspot.com/2012/06/structura-motorului-cu-ardere-interna.html
Căldura degajată în camera de ardere se transformă prin intermediul presiunii (energiei potențiale). Acest volum variabil este realizat de miscarea alternativa executata de piston in interiorul unui cilindru, cilindru inchis, la extremitatea opusa, de chiulasa. Turbine cu gaz, motoare cu reacție și majoritatea motoarelor cu rachete, fiecare dintre acestea fiind.

Sorteaza motoare cu ardere interna dupa:

Motorul cu ardere internă este motorul care transformă energia chimică a combustibilului prin intermediul energiei termice de ardere, în interiorul motorului, în energie mecanică. La inceputul anilor 70, statele membre ale comunitatii europene au decis sa introduca treptat niste reglementari la constructia motoarelor care sa reduca noxele eliberate in atmosfera. Motorul cu ardere internă este motorul care transformă energia chimică a combustibilului prin intermediul energiei termice de ardere, în interiorul motorului, în energie mecanică.

Calculul si constructia motoarelor cu ardere interna. Echipament de diagnoza a unitatilor electronice de comanda a. Se numesc motoare cu ardere interna, deoarece ciclu motor se desfășoară doar în interiorul cilindrului, spre deosebire de motoarele cu reacție, care au ardere externă.

3 Aprilie Ziua Motorului Cu Ardere Internă Daimler Maybach
vizitati articolul complet aici : https://www.auto-bild.ro/stiri/3-aprilie-ziua-motorului-cu-adere-interna-daimler-maybach-181506.html
Apariția de motoare termice cu ardere internă a reprezentat un moment critic pentru evoluția tehnologică a omenirii, facilitând astfel creșterea funcționarea motorului cu ardere internă. Motorul cu ardere internă este motorul care transformă energia chimică a combustibilului prin intermediul energiei termice de ardere, în interiorul motorului,. Vrei motoare cu ardere interna?

Din punctul de vedere al obținerii lucrului mecanic, aceste motoare se clasifică în

Vrei motoare cu ardere interna? Asta pentru că apariția motorului a schimbat pentru. Motorul cu abur este un motor termic cu ardere externă, care transformă energia termică a aburului în lucru mecanic.

Posting Komentar untuk "Motoare Cu Ardere Interna"